Hints and Tips...

     Cette rubrique regroupe des idées, schémas et articles glanés sur le Net, dans des livres ou dans des revues. Certains sont pratiques ou originaux et nous ont semblé intéressants.

 

DIGI-POT de G4GXO

     Un montage simple et efficace pour simuler un potentiomètre multitours dans des applications diverses comme alimentation ou commande de VFO par diode varicap. Il utilise un microcontrôleur PIC12F683 et un DIL de 8 pattes associés à un très petit nombre de composants. Dans la pratique, il permet de sortir une tension de 0 à 5 volts pour un tour de codeur. Une pression sur l'axe du codeur permet de démultiplier par 10 la variation. La sortie du PIC est un signal rectangulaire d'une fréquence d'environ 7,8 kHz, dont le rapport cyclique varie de 0 à 100 % et qui, après passage dans un filtre passe-bas, conduit à une variation de tension de 0 à 5 volts.
    A la mise sous tension, la sortie est à 0 volt. Si l'on veut inverser le sens de rotation, il suffit d'enfoncer l'axe du codeur lors de la mise sous tension.
    On trouvera le fichier HEX pour la programmation de PIC et le fichier source à l'adresse:

     http://www.cumbriadesigns.co.uk/downloads.htm

     Nous avons réalisé un petit circuit imprimé qui regroupe tous les composants et utilise un codeur ref. STEC 11B09 de chez Reichelt.


   vue côté composants, CMS 1206 et 100µF côté cuivre

 


HÉLIPOT

     Il est possible de remplacer un potentiomètre multitours par une combinaison de deux potentiomètres dont l'un est double. C'est ce qui est illustré par le schéma. A noter que l'on pourra choisir la valeur de la résistance en parallèle avec le potentiomètre en fonction de la finesse de réglage désirée. Avec 1k on a une démultiplication d'environ 1/10 avec P2.

 


R
ÉGULATEUR LM317

     Voici un tableau qui donne d'un coup d'œil la valeur des deux résistances qui détermineront la tension de sortie désirée. C'est une approche et il faudra légèrement modifier la valeur de R2 ou utiliser une combinaison de résistance fixe et variable pour obtenir la tension exacte souhaitée.

 

 

 

INDUCTANCE TORIQUE

     Pour avoir une vue directe sur le tore à employer pour une inductance donnée exprimée en µH, le tableau suivant sera très utile.

     Les tores présentés sont les plus courants, le Txx-2 (rouge, AL=4) pour les fréquences de 1 à 30 MHz et le Txx-6 (jaune, AL=3) pour les fréquences de 2 à 50 MHz. Quant aux diamètres, ils couvrent la plupart des besoins. Et si un tore ne figure pas dans le tableau, il sera toujours temps d'utiliser ce petit programme remarquable, concocté par Wilfried DL5SWB qui est venu à notre secours avec Mini Tore Calculateur 1.2 que l'on trouve sur son site: http://www.dl5swb.de

 

 

 

FILTRE PASSE-BAS POUR ÉMETTEUR QRP

 

 

 

PROTECTION ANTI-SURTENSION POUR ALIMENTATION
DISPOSITIF "CROWBAR"

      C'est un petit montage très efficace que l'on peut rajouter à une alimentation pour un transceiver, par exemple. Il est entièrement autonome, ce qui fait qu'il pourra éventuellement être placé en dehors de l'alimentation. Le fusible est un modèle à coupure rapide. Il faudra au préalable faire un petit montage d'essai de manière à caractériser le thyristor, surtout s'il est de récupération sans marquage.
    Le but est de déterminer la résistance de gâchette qui permettra de déclencher le thyristor à une valeur déterminée, ici 15 V. L'idéal est de disposer d'une double alimentation de laboratoire avec limitation d'intensité réglable. On effectuera le montage suivant avec une limitation à environ 100 mA.

         

     On augmentera progressivement et prudemment la tension sur la gâchette en observant le milliampèremètre. Au moment où le thyristor entre en conduction, le 15 V est mis à la masse et l'alimentation entre en limitation. On note la valeur de l'intensité et de la tension sur la gâchette. En général, l'intensité est de l'ordre de 20 à 25 mA et la tension de 0,7 à 0,8 V.

     Avec ces deux valeurs, U = 15-Vg et Ig, on calcule la résistance R à placer entre le pôle positif et la gâchette. Pour avoir la valeur exacte, on pourra mettre deux résistances en parallèle. Ensuite, on vérifiera avec l'alimentation que le déclenchement correspond bien aux 15 V désirés.

    Autre solution de sécurité, alimenter le transceiver par une batterie de voiture, maintenue en charge par un petit chargeur. C'est une précaution efficace contre toute défaillance de l'alimentation secteur classique (sans "crowbar") au prix, il est vrai, de la perte de quelques watts en émission par un fonctionnement en 12 volts au lieu de 13,8.

 

 

Largeur d'une piste sur FR4 en fonction de l'intensité
(pour un delta T de 20°C)

NB: Pour augmenter ces valeurs, rajouter de la soudure sur la piste ou utilisez un double face avec vias.


 
Protection active contre les inversions de polarité

     Plusieurs dispositifs très simples procurent une protection contre ce type d'inversion souvent destructrice. On a par exemple le pont de diodes qui permet de s'affranchir de tout souci de branchement mais au prix d'une chute de tension de plus d'un volt. Une autre forme réside en une diode à l'envers, précédée par un fusible. Pas de chute de tension et une protection immédiate. Le système à relais pêche par son non-instantanéité qui met en danger le montage qui suit.
    Le dispositif présenté ici a l'avantage de la rapidité d'action et une très faible chute de tension qui ne dépasse pas 100 mV au prix cependant d'une limitation en intensité en fonction du MOSFET utilisé. Pour un BUZ10 cette limitation est d'environ 3 A sans dissipateur avec une chute de tension d'environ 200 mV. Il est possible d'utiliser un autre transistor (BUZ11) ou d'en mettre plusieurs en parallèle.
    La tension maximum est fonction du MOSFET utilisé (50 V pour le BUZ11). La diode zener de 12 V protège la Gate en cas de tension excessive et le condensateur court-circuite les champs HF parasites.

 

FRG-7 diode LOCK bicolore

     Le FRG-7 était en son temps un très bon récepteur et il l'est encore. Sa particularité réside dans un asservissement en fréquence par une boucle de Wadley contrôlée par les harmoniques d'un quartz de 1 MHz. La stabilité est celle d'un pilotage par quartz et meilleure que 500 Hz après trente minutes de fonctionnement.
    C'est l'extinction de la diode rouge sur la face avant qui signale le verrouillage. Le circuit décrit ici se propose simplement de remplacer cette diode par un petit montage alimentant une diode bicolore verte et rouge. Lorsque la diode passe du rouge au vert, le système est verrouillé.
    Rien d'indispensable, simplement un gadget !

   

 

Pont réflectométrique

     On trouve sur le Web des ponts réflectométriques à des prix très intéressants, mais la plupart d'entre eux sont affublés de deux erreurs qui empêchent leur bon fonctionnement.

     La première erreur se situe au niveau du circuit imprimé. Il manque une liaison entre les deux résistances de 100 ohms (marque X), ce qui fait qu'au lieu d'avoir 50 ohms entre l'entrée et la référence ou le dispositif à analyser, on a 100 ohms.

     La deuxième erreur se situe au niveau du coaxial N°2. L'âme de celui-ci doit être en l'air des deux côtés.

     Ces deux défauts sont faciles à corriger mais si on veut les éviter, il y a (pour le moment !) un fournisseur eBay en Russie dont les circuits sont conformes au schéma ci-dessus (https://www.ebay.fr/itm/333054971329).

 

CONTROLE D'UN OSCILLATEUR ÉTALON
(source Hewlett-Packard)
 

 

ATTENUATEURS

 

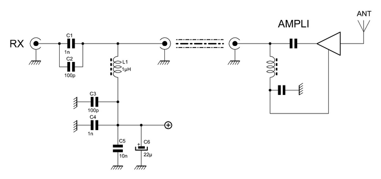
T-Bias

     C'est un dispositif qui permet d'alimenter, par un câble coaxial, un préamplificateur situé en tête de mat. Le principe consiste à isoler le récepteur de l'amplificateur par deux condensateurs, l'un situé à la sortie du récepteur et l'autre à l'entrée de l'amplificateur. On a ainsi un tronçon de câble coaxial parfaitement isolé dans lequel on peut injecter une tension continue pour l'alimentation de l'amplificateur. Pour ne pas court-circuiter les signaux haute fréquences, il faut isoler les deux points d'alimentation par deux inductances.

Pour les VHF et UHF, il est préférable d'utiliser des composants CMS, ici des boîtiers 1206

 

Tester une alimentation en dynamique
(selon Elektor)


    A défaut de réaliser le testeur d'alimentation décrit par ailleurs sur ce site, on peut effectuer cette opération d'une façon beaucoup plus simple avec le petit montage décrit ci-après. Il permet de visualiser avec un générateur BF et un oscilloscope, les défauts les plus courants comme les dépassements, la rapidité de réaction de l'organe de régulation, etc.

     Le test s'effectue avec deux niveaux d'intensité soit 10 et 90 % en commençant avec une fréquence de commutation de quelques dizaines de hertz.
     Les résistances de puissance R1 et R2 sont calculées comme suit:
                   R2 = Umax / 0,1 Imax
                   R1 = Umax / 0,8 Imax

     A défaut du MOSFET préconisé (HUF75545P3), on choisira un modèle supportant au moins 80 V et 75 A et de Ron < 10 milliohms.
    On adaptera les puissances des résistances et munira éventuellement le MOSFET d'un radiateur.

 

Réactiver une lampe d'émission

     Pour remettre en service une lampe d'émission, il est recommandé de ne pas le faire brutalement, surtout s'il s'agit d'un tube NOS (New Old Stock) ou bien d'une lampe endormie depuis des années.
    Dans le cas d'un amplificateur linéaire dont on ne veut pas retirer les lampes, il est conseillé de l'alimenter avec un Variac™ en augmentant progressivement la tension.
    Quand il s'agit d'une lampe seule, il faudra faire un petit montage pour lui appliquer directement les tensions.

     Prenons le cas d'une lampe d'émission VHF-UHF bien connue, la QQE 06/40 avec son support septar.

     Après avoir réalisé ce montage, on commencera par appliquer la tension filament en l'augmentant progressivement et en observant l'intensité correspondante. L'idéal étant d'avoir une alimentation avec limitation d'intensité, de fixer la tension à 6,3 volts et d'augmenter lentement l'intensité en observant l'ampèremètre. On verra ainsi la tension augmenter jusqu'à 6,3 volts et l'intensité se stabiliser aux environs de 1,9 ampère.
    On conservera cette tension filament pendant au moins une heure puis on appliquera progressivement la "haute tension" en partant de 0 volt jusqu'à une tension maximum de 20 volts qui correspond à un peu plus de 200 mA. Cette correspondance renseigne également sur l'état de santé de la lampe.

 

Augmenter la vitesse d'activation d'un relais ou
Utiliser un relais 24 V sur 12 V

     Parfois le temps de translation de la palette est donné dans les feuilles de caractéristiques comme c'est le cas des relais coaxiaux TOHTSU.
     Dans certains cas, on voudrait qu'un relais électromagnétique colle plus vite lorsque l'on applique sa tension nominale. Pour cela, il existe plusieurs solutions,
    - La radicale consiste à lui appliquer une tension supérieure à sa tension nominale, mais ce n'est pas la meilleure concernant l'échauffement de la bobine et sa durée de vie.
    - La moins mauvaise mais pas la plus efficace consiste à l'alimenter avec une tension double ou triple et à mettre une résistance en série. On sait qu'une bobine appelle un courant important mais décroissant, le temps que son induction soit totale et donc une chute de tension qui se répercute dans la résistance. Il faudra la choisir de façon qu'après le collage du relais, la tension à ses bornes soit sa tension nominale. Le principal inconvénient de cette solution est d'avoir à disposer d'une tension au moins deux fois supérieure à la tension nominale de la bobine du relais.
    - La meilleure est d'alimenter le relais avec une tension deux fois supérieure, mais seulement pendant un temps très court. Cela implique la charge d'un condensateur qui sera mis en série avec l'alimentation principale de manière à doubler la tension aux bornes du relais pendant un temps très court mais suffisant pour augmenter la vitesse de fermeture de la palette et des contacts.
Tout cela se fait automatiquement avec des semi-conducteurs et est illustré par le schéma suivant:

     Cette méthode permet d'utiliser un relais 24 volts avec une alimentation 12 volts. En effet, un relais 24 volts a besoin d'au moins 16 à 18 V pour coller mais reste collé avec seulement 6 à 8 V. C'est le cas par exemple des excellents relais coaxiaux RADIALL avec bobine en 26 V.

         RETOUR ACCUEIL