| VFO pour SDR asservi par GPS 
 
  En 
            cours d'essai dans un chassis provisoire en époxy
Le VFO 
      La description qui suit est 
            celle d'un VFO destiné en particulier à un futur récepteur SDR mais qui 
            
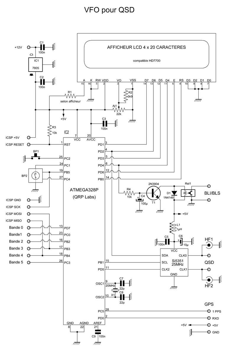
            peut être employé pour d'autres usages. Le cœur du montage est un 
            ATméga 328 qui pourrait faire penser à un montage "Arduino". 
            Mais tel n'est pas le cas car ce circuit intègre un boot-strap 
            propriétaire qui ne permet pas de programmer un circuit vierge même 
            si le firmware est disponible sur le site de l'auteur. La raison 
            en est qu'il s'agit d'un produit commercial et non d'une œuvre 
            libre de droit. Il faudra donc acheter le circuit programmé et qui 
            pourra, par la suite, être mis à jour avec un éventuel nouveau 
            firmware. Tout ça n'est pas vraiment gênant au vu des possibilités 
            offertes par le programme.Le mode d'emploi 
            est un modèle du genre et la configuration par menus est 
            détaillée étape par étape et c'est là que l'on se rend compte des 
            possibilités de ce VFO.
      Les 
            caractéristiques principales sont:      - 
            Deux sorties indépendantes d'un signal carré de 3,3 Volts crête 
            à crête et dont la fréquence peut aller de 2,5 kHz à 200 MHz. On 
            peut avoir une sortie variable et l'autre fixe, les deux égales 
            avec ou sans décalage (offset) ou même égales et dont la phase 
            est décalée de 90 ou 180 °.- La possibilité 
            de mettre en mémoire 16 fréquences dont on peut attribuer une des 
            6 sorties (passe de 0 à 5 V) pour commander des filtres.
 - 
            Possibilité d'afficher de nombreux paramètres (fréquence, locator, 
            date et heure, données satellitaires, etc.). Nous avons par exemple 
            sur la première ligne, la fréquence de travail, sur la deuxième 
            l'indicatif et le locator. Sur la troisième, en affichage séquentiel, 
            longitude, latitude, altitude, nombre de satellites en vue et S/N. 
            Sur la quatrième, la date et l'heure locale.
      Toutes 
            ces fonctions et d'autres encore, sont décrites dans les fichiers à télécharger sur 
            le site de QRP-Labs: http://qrp-labs.com      Pour 
            la réalisation, on pourra se tourner vers le kit complet disponible 
            sur le site (http://qrp-labs.com/vfo), ou bien faire soi-même un circuit imprimé. C'est cette 
            deuxième solution qui a été choisie car nous voulions profiter pleinement 
            de toutes les fonctions et avoir un afficheur 4 lignes de 20 caractères. 
            Il a été possible de caser tout le circuit au dos de l'afficheur 
            en gardant (presque) les mêmes dimensions. Ne pouvant réattribuer 
            les connexions, nous avons suivi scrupuleusement les branchements 
            d'origine ce qui a conduit à l'utilisation d'un circuit double face 
            qui a facilité l'implantation de nombreux straps.Le 
            circuit Si5351qui génère les fréquences est sur un petit module 
            acheté sur eBay.
 L'ensemble 
            VFO + GPS consomme environ 120 mA.
        SCHÉMA
  
   CIRCUIT 
            IMPRIMÉ(Côté composants, cuivre en transparence)
 
 
   Le GPS (n'est 
            plus commercialisé) 
      Il 
            s'agit là d'une réalisation en kit, toujours sur le site de QRP-Labs 
            (http://qrp-labs.com/qlg1). 
            Pour une somme très modique, vous avez un GPS qui asservira le VFO 
            et dont la sensibilité est très (vraiment très !) largement supérieure à celle des autres 
            modules utilisés jusqu'ici.Pour sa 
            mise en œuvre, il faudra l'enfermer dans un boitier en plastique 
            et y adjoindre un connecteur. Le schéma ci-dessous est une copie 
            conforme de celle du site et nous n'y avons apporté aucune modification. 
            La seule interrogation que nous avons eue est celle concernant la 
            charge de la batterie.
 Concernant 
            la batterie de sauvegarde des éphémérides, la consommation est d'environ 
            6 µA lorsque le module n'est pas alimenté. La recharge est effectuée 
            par le chip GPS et nous avons constaté une charge variable au rythme 
            de la réception des données à chaque seconde. Elle est en alternance 
            de 100 µA et 50 µA qui passe à 50 et 25 µA lorsque la 
            batterie atteind un certain seuil de charge.
 SCHÉMA   RÉALISATION      Le 
            boitier utilisé provient de chez REICHELT sous la référence RND 
            455-00135  
            mais tout autre boitier pourrait convenir. Le circuit est fixé sous 
            le couvercle et nous avons lesté le fond avec une plaque de 
            plomb recouverte d'une plaque d'aluminium.      Un petit circuit imprimé supporte les trois diodes et les 
            liaisons sont faites avec du câble plat et des connecteurs informatiques. 
            La liaison avec le VFO est faite par  un câble blindé à cinq conducteurs, 
            le cinquième est branché sur le bornier +Batt. Le blindage est relié à la masse uniquement côté VFO.     RETOUR ACCUEIL |